平城区小南头街道2025年政府信息公开工作年度报告
一、总体情况
2025年,小南头街道严格按照《中华人民共和国政府信息公开条例》和《国务院办公厅政府信息与政务公开办公室关于印发<中华人民共和国政府信息公开工作年度报告格式>的通知》(国办公开办函【2021】30号)要求,在省、市、区各级政府的统一部署与指导下,紧紧围绕本单位工作实际,积极落实上级各项工作安排,坚持主动作为、稳中求进,持续推动政府信息公开工作向制度化、常态化、规范化方向深入发展,不断提升公开质量和实效,切实增强政府工作的透明度和公信力。
本年度报告中所列数据的统计期限自2025年1月1日起至2025年12月31日止。本年度报告的电子版可以从平城区人民政府网站下载。如对本报告有任何疑问,请与大同市平城区小南头街道办事处联系(地址:小南头村,电话:6030636,邮编:037000)。
(一)主动公开
在平城区政府网站公开公示的内容:
1、小南头街道基本信息情况。
2、街道领导班子成员、副科领导各自职务职责及业务分工情况。
3、全年共发表政务公开5篇、公示公告1篇。
在街道公开公示的内容:
1、低保方面:2025年办理低保14户18人。
2、临时救助方面:2025年临时救助41户70人,发放临时救助金55637元。
3、特困供养方面:2025年新增特困供养人员10户10人,公示全部无异议。
4、计生方面:2025年领取独生子女证24人,新增部分奖励10人;新增符合合退二孩政策32人,以上等待区审核通过;育儿补贴审核通过721人,钱款发放721人,全部公示无异议。
5、残联方面:2025年新办残疾证21本,换证31本,公示全部无异议。
(二)依申请公开
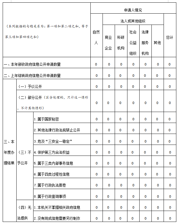
我街道认真规范工作流程,扎实做好依申请公开工作和“闭环”办理,2025年,小南头街道共受理平城区依申请公开信件0件。
(三)政府信息管理
2025年,我街道继续将信息安全管理摆在突出位置,进一步强化信息安全监管措施,持续完善信息发布审核机制,不断规范政府信息的采集、编辑、报送与公开等环节。切实保障所发布信息的严肃性、及时性、准确性与权威性,推动政府信息管理工作更加规范有序,确保政府信息公开实现高质高效、全面透明。
(四)政府信息公开平台建设
目前,我街道主要通过平城区政府网站作为政府信息公开的主要渠道,暂未独立建设“两微一端”等新媒体平台。与此同时,在内部工作沟通方面,街道充分利用微信工作群及时传达工作信息、布置相关任务,有效提升了内部运转效率与协同效果,取得了良好的实际应用成效。
(五)监督保障
我街道结合实际情况,研究制定年度政务公开工作要点,明确责任分工,细化任务安排,确保各项工作落到实处。同时,建立健全信息公开工作监督保障机制,强化日常监督和定期考核评估,严把信息内容审核关,切实保障公开信息的准确性、真实性与时效性,不断提升政务公开工作的规范化、制度化水平。
二、主动公开政府信息情况

三、收到和处理政府信息公开申请情况


四、政府信息公开行政复议、行政诉讼情况

五、存在的主要问题及改进情况
在上级部门的有力指导下,本街道政务公开工作取得了阶段性进展与积极成效。与此同时,通过系统开展自查自纠,我们也清醒认识到当前工作中仍存在一些不足:一是部分信息更新发布的时效性有待进一步加强;二是政务公开形式的丰富性与创新性仍需提升。
今后,我街着力从以下三个方面改进和完善政府信息工作:
一、强化规范,优化工作流程。进一步统一思想认识,着力规范政务公开全流程管理。通过系统梳理街道及所属村社应公开的政府信息,明确向区政府及自有平台报送、维护的周期与责任,确保信息公开工作严格遵循既定流程高效运转,为社会公众查询信息提供清晰、稳定的渠道保障。
二、深化梳理,拓展公开内涵。对政府信息进行了持续深入的梳理与整合,对既有公开目录进行了动态补充与完善,着力提升公开信息的全面性与准确性。同时,进一步压实工作机制,建立健全相关考评机制,以制度保障信息更新的及时性与有效性。
三、拓展渠道,丰富公开形式。积极开拓多元化公开路径,不断优化政府信息公开平台与目录建设。始终坚持“以公开为常态、不公开为例外”的原则,特别是将公众关切度高、社会影响面广、涉及公共利益密切的事项作为公开的核心内容,致力于提升政务公开的覆盖面和获得感。
六、其他需要报告的事项
2025年度小南头街道无其他需要报告的事项。
扫一扫在手机上查看当前页面

三晋通
晋公网安备 14020202000152号