平城区行政审批服务管理局2025年政府信息公开工作年度报告
一、总体情况
本报告依据《国务院办公厅政府信息与政务公开办公室关于印发<中华人民共和国政府信息公开工作年度报告格式>的通知》(国办公开办函〔2021〕30号)要求,由平城区行政审批服务管理局结合有关统计数据编制。本年度报告中所列数据的统计期限自2025年1月1日起至2025年12月31日止。全文包括主动公开、依申请公开、政府信息管理、平台建设、监督保障等方面。如对本报告有任何疑问,请与平城区行政审批服务管理局联系。(地址:平城区市民中心6楼,电话:0352-5111825)
(一)主动公开政府信息情况
1、决策公开。区行政审批局依靠政务服务平台,对重大行政决策法定程序、意见征集形式等进行公开。
2、管理公开。区行政审批局依托政务服务平台和平城区人民政府网站,及时公布权责清单、公开调整动态清单。
3、服务公开。区行政审批局依托政务服务平台和平城区人民政府网站,依法公开服务事项、行政审批中介服务事项、政务服务中心与网上办事大厅结合,做到服务公开。
4、结果公开。区行政审批局依托政务服务平台和平城区人民政府网站,及时公开重大决策及重要政策落实情况及我局发展规划及重大决策跟踪反馈和评估。
5、执行公开。区行政审批局依托政务服务平台和平城区人民政府网站依法公开财政信息等,做到重大执行事件第一时间公开。
(二)依申请公开情况
1、平城区行政审批服务管理局非常重视依申请公开工作,依托政务服务平台和平城区人民政府网站,规范了申请渠道和答复格式。
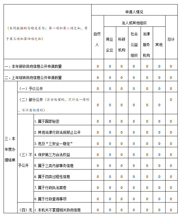
2、政府信息公开申请接收和办理情况本年度,平城区行政审批服务管理局共接到群众要求政府信息公开申请0次。
(三)政府信息管理与平台建设情况
平城区行政审批服务管理局公示信息均以平城区人民政府门户网站作为发布法定主动公开内容的第一平台,充分发挥政府门户网站“主阵地”作用,无政府网站建设管理情况和新媒体建设管理情况。
(四)行政复议和提起行政诉讼情况
2025年,平城区行政审批服务管理局有行政复议0件。
(五)制度及监督保障情况
2025年,区行政审批局继续加强组织领导,将政府信息公开工作纳入重点工作,督促各股室共同完成政府信息公开工作。
二、主动公开政府信息情况



四、政府信息公开行政复议、行政诉讼情况

五、存在的主要问题及改进情况
2025年,平城区行政审批服务局政府信息公开工作取得阶段性成效,面对新形势新要求,工作仍存在短板弱项,突出表现为政务公开网站部分栏目呈现形式单一,政策解读的方式方法较为局限。
针对以上问题,我局将进一步拓宽信息公开渠道、优化内容呈现形式,积极运用媒体解读、专家解读等多元方式,增强政策解读的趣味性、可读性和易懂性,及时更新政策文件及解读内容,切实做好群众关切回应工作。
六、其他需要报告的事项
无。
扫一扫在手机上查看当前页面

三晋通
晋公网安备 14020202000152号